
09.Feb.2024
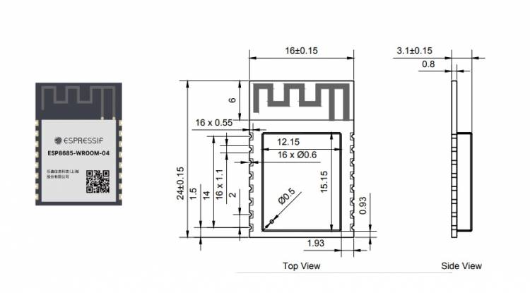
Espressif Systems added another innovation to its product range developed for IoT (Internet of Things) applications: ESP8685-WROOM-04.
This module combines 2.4 GHz Wi-Fi (802.11 b/g/n) and Bluetooth® 5 connectivity features and is designed for use in various fields such as industrial automation, smart home systems, healthcare industry and consumer electronics.

According to this updated datasheet, some features of the ESP8685-WROOM-04 module are:
32-bit RISC-V single-core processor built on ESP8685H4 integrated chip
4MB flash memory
13 GPIO (General Purpose Input/Output)
Wi-Fi features include IEEE 802.11 b/g/n compatibility, 20 MHz and 40 MHz bandwidth support, up to 150 Mbps data transmission rate and WMM (Wi-Fi Multimedia).
Bluetooth features include Bluetooth 5 support, ad extensions, and multiple ad sets.
ESP8685-WROOM-04 is designed for use in many application areas. These include smart home control, industrial automation, health monitoring devices, consumer electronics products and agricultural applications. It also enables the development of energy-efficient IoT devices with low power consumption and wide connectivity options.
The ESP8685-WROOM-04 is compatible with open source SDKs and development tools provided by Espressif Systems, allowing developers to quickly prototype and bring their products to market.
This new module is an example of the innovations Espressif brings to IoT solutions and can make significant contributions to the IoT industry with its wide range of applications.
You can also check out this product designed with ESP32-WROOM32:
You can find details at this link:

ESP8685-WROOM-07 Introduced with Datasheet
Explore innovative Wi-Fi and Bluetooth features with the ESP8685-WROOM-07's current data sheet. Ideal for industrial and consumer applications.
13.10.2023

What is Arduino Nano?
Arduino Nano White Paper
29.05.2023

Wi-Fi Standards
Wi-Fi Whitepaper
30.05.2023

Voltage Controlled Oscillator NE566
NE566 is a voltage-controlled oscillator or frequency generator IC. Frequency modulation is used in sound reproduction and timer applications
01.06.2023

ESP32 vs Arduino in 2025: Which One Should You Use for Your Project?
Wi-Fi? ESP32. 5 V shields? Arduino. Clear 2025 guide with table: pick the perfect board for IoT, cameras, low-power, DSP
23.11.2025

The World’s Most Famous Transistor: Why the 2N2222 Has Been King for Over 60 Years
The 2N2222: the world’s most-used NPN transistor for 60+ years. Cheap, tough, versatile—and still flying in satellites.
05.12.2025

ESP8684-WROOM-07: General Purpose Wi-Fi and Bluetooth LE Module
ESP8684-WROOM-07 is a general purpose Wi-Fi and Bluetooth LE module. Rich set of peripherals and high performance make this module an ideal choice for smart homes, industrial automation, healthcare, consumer.
04.08.2023

Standards and Reading of SMD Resistors
SMD Resistors values
20.04.2022

Decoder Integrated
Decoder Integrated
20.04.2022

ESP32-C3-LCD Kit User Manual Published
ESP32-C3-LCD kit manual is now available. Get started with this development board that includes an SPI interface display and interactive screen interaction
18.08.2023

ESP32-C2 Series SoC Faults Documentation
ESP8684 Series SoC bug fixes document: Chip revisions, crystal issues and more. With the assurance of Espressif Systems
25.08.2023

IoT Projects with ESP-12F WiFi Module
Bring your IoT projects to life with the ESP-12F WiFi module. Ideal for smart home automation and more ESP-12F projects.
02.09.2023

Technical Structure of IoT Systems
Learn about the basic components and functioning of IoT systems.
02.09.2023

IoT Security: The Increasing Importance of Technology
Check out the technical measures and examples in our article on IoT security.
02.09.2023

HC-05 and HC-06 Bluetooth Modules
Technical information and usage areas about HC-05 and HC-06 Bluetooth modules.
09.09.2023

HM-10 Bluetooth Module
Technical features and usage areas of the HM-10 Bluetooth module. Develop IoT and wireless communication projects
09.09.2023

AT Commands Guide for Bluetooth Modules
Configuration and control of Bluetooth modules with AT commands
09.09.2023

ST7735 Color TFT Screen
Add additional functionality to your Arduino projects with the ST7735 TFT display
10.09.2023