
01.Dec.2022
In this application, we will examine the 74HC393 counter IC. First of all, let's look at the general features of the 74HC393 IC.
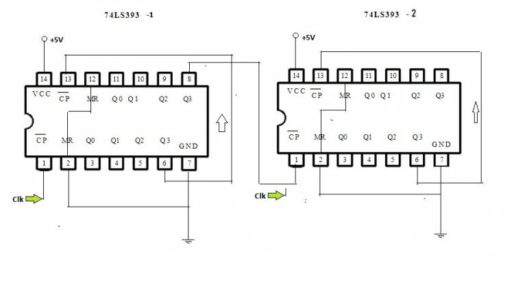
This counter IC contains two 4-bit counters. It can also be used as a 4-bit counter only if desired. It is possible to make 4-bit and 8-bit connections according to the need in digital circuits. When we connect the Q3 pin of the 4-bit counter to the CP pin of the other 4-bit counter, we get the 8-bit counter. Similarly, we can increase the 74HC393 integrated number to obtain 16-bit, 24-bit, 32-bit counters. Such successive connections are called cascade connections.

The 74HC393IC is a TTL IC. The supply voltage must be between 3 volts and 6 volts. It is written in the manufacturer's data sheets of the integrated that the operating speed is 28 MHz. It is possible to push this frequency a little more.
Where is this integrated used? The first application that comes to mind is the clock application.
It can be used as a level scanning element in circuits that convert digital to analog signals.
It can be used in digital circuits where time division is required. This means frequency division.
Examples of applications made with this integrated can be multiplied.
We tried the basic test circuit we made on the BreadBoard with 8 LEDs. We connected 1K resistors so that the LEDs and the IC are not damaged by excessive current.
We connected the square wave output of our signal generator (XR2206)to the clock input of the 74HC393 IC. We tested the binary counting operation at different speeds by changing the frequency stages of the signal generator.
The application we have made is available on our youtube channel.

DIY FM Radio Kit - RDA5807 Electronic Module
RDA5807, DIY FM Radio Kit, Electronics Kit, FM Radio Receiver, 87-108MHZ for soldering application
15.10.2023

FG-100 DDS Function Signal Generator: The Ideal Electronic Experiment and Debugging Tool
FG-100: Excellent signal generator for electronic experiments. Sine, square, triangular waves and more. High precision, portability
02.11.2023

ADC0831: Converting Analog Signals to Digital
ADC0831: A critical A/D converter used to convert analog signals to digital. High resolution and application areas
03.11.2023

Powerful Audio Amplifier for Electronic Labs: TDA7297 DIY Kit
TDA7297 DIY audio amplifier for electronics laboratories: Offers high performance, low noise levels and soldering practice
05.11.2023

6 Steps DIY Clock Kit - Auto Imaging and Soldering Practice Kit
6 Steps DIY Clock Kit - Automatic Display with High Quality Integrated Circuits. DIY Alarm Clock Soldering Practice Kit Ideal for Students and DIYers
17.11.2023

Operational Amplifier (OP AMP) Tester
Operational Amplifier (OP AMP) Tester is the critical tool of electronics laboratories. Quickly and reliably evaluates the accuracy of integrated circuits, diagnoses problems and detects counterfeit chips
17.03.2024

Measurement of Sine, Triangle Wave Signals with DSO-TC3
We examine how to measure different signals with the DSO-TC3 oscilloscope
30.06.2023

Transistor, Diode, Capacitor and Resistor Measurement with DSO-TC3
Measurement operations with DSO-TC3: many measurements can be made with this device. Such as transistor, diode, capacitor, resistor, coil.
30.06.2023

Mixer/Amplifier Circuit with JFET
In the article about JFET and mixer concepts, what JFET is, the function of the mixer and a mixer made with a JFET circuit are discussed in detail.
21.03.2024

Falstad Circuit Simulator: Still the Best Free Circuit Simulator in 2025
Build circuits instantly with Falstad, watch current flow in real time, and use a built-in oscilloscope.
24.11.2025

0-30V 2mA-3A Adjustable DC Power Supply- DIY
DIY power supply product specially designed for electronics enthusiasts! Perform your electronic experiments safely with 0-30V continuously adjustable output voltage and output limiting current that can vary between 2mA-3A. This compact power source for soldering work is ideal for beginners and students
05.08.2023

How to make an audio mixer with LM741?
This article discusses the audio mixer design and operating principle based on the use of the LM741 operational amplifier (op-amp) IC. The features of the LM741 and the step-by-step creation of the audio mixer circuit are examined, while explaining how audio mixers work.
08.08.2023

Using and Applications of 74HC4067 Analog Multiplexer/Demultiplexer Integration with Arduino Nano
Discover the use and applications of the 74HC4067 analog multiplexer/demultiplexer IC with Arduino Nano.
16.08.2023

ZOYI ZT-702S 2-in-1 Digital Oscilloscope and Multimeter
ZOYI ZT-702S: Professional 2-in-1 Oscilloscope and Multimeter. 10MHz band, 48MSa/s sampling. Powerful, compact and precise measurements.
18.08.2023

Lighting a single led with Arduino
Experiment to light a single led with Arduino UNO
23.10.2022

Two Led Application with Arduino
Two led application with Arduino experiment
23.10.2022

Flash LEDs with Arduino
Flash LEDs with Arduino project
23.10.2022

Floating Lights with Arduino
Floating Lights with Arduino experiment
24.10.2022

Buzzer Application with Arduino
Buzzer Application with Arduino, notes experiment
24.10.2022

Analog Signal Input Application
Analog Signal Input Application experiment
24.10.2022

Microphone, Vu meter App
Microphone, Vu meter App experiment
24.10.2022

Ultra Sonic Application
Ultra Sonic Application
24.10.2022

IR Sensor Application
IR Sensor Application experiment
24.10.2022

Illuminance Sensor with LDR
Illuminance sensor with LDR project
25.10.2022

Electronic Circuit with NTC- Temperature Sensor
Electronic circuit with NTC- Temperature sensor experiment
26.10.2022

Using NTC with Arduino
Using NTC with Arduino experiment
27.10.2022

220 Volt Lamp Control with Arduino
220 Volt Lamp Control with Arduino project
28.10.2022

Logic Gates with Transistors – NOT Gate, AND Gate, OR Gate
Logic Gates , NOT Gate, AND Gate, OR Gate exprerimet
31.10.2022

Single Transistor FM Transmitter Circuit
Single Transistor FM Transmitter Circuit experiment
02.11.2022

Basic application with 433 MHz Receiver and Transmitter Modules
433 MHz Receiver and Transmitter
03.11.2022

Using as Web Server with ESP 12F WiFi Module
Learn how to create a web server with the ESP 12F WiFi module.
01.09.2023

How to Make a Metal Detector?
Make a Metal Detector
04.11.2022

7 Segment Led Display Application
7 Segment Led Display Application experiment
06.11.2022

4 Digit 7 Segment Led Display Application
4 Digit 7 Segment Led Display Application
09.11.2022

How to make a voltmeter?
How to make a voltmeter
09.11.2022

Measuring Resistance with Microcontrollers
Measuring Resistance with Microcontrollers Details
14.11.2022

Function Signal Generator Operation
Function Signal generator operation Assembly and test application
15.11.2022

ESP12F Wi-Fi Module Soldering for IoT Studies
ESP12F wi-fi module for IoT studies
17.11.2022

AT Commands for Wi-Fi Module
AT Commands for Wi-Fi Module Experiment
18.11.2022

LM2587 4-V - 40-V, 5-A Expansion Wide VIN Flyback Regulator Review
DC-DC Convertor with LM2587
21.11.2022

How to make an electronic metronome?
Metronome Circuit with NE555
22.11.2022

5 Volt 300 mA Power Supply
5 Volt 300 mA Power Supply experiment
23.11.2022

Water Level Indicator Electronic Circuit
Water Level Indicator Electronic Circuit with NPN Transistors
24.11.2022

Making a Signal Generator with LM555
Making a Signal Generator
25.11.2022

Using PCD8544 5110 CMOS 48x84 LCD
Using PCD8544 5110 CMOS 48x84 LCD Review
26.11.2022

How to make a precision Signal Generator?
Making a Signal generator with ICL8038
29.11.2022

DC Motor Speed control with Signal Generator
DC Motor Speed control experiment
30.11.2022

Handheld Digital Oscilloscope 2.4-inch TFT LCD Display
Handheld DSO138mini Oscilloscope: Compact, high resolution DIY kit for electronic learning.
07.09.2023

8 Bit Serial to Parallel Converter Test Circuit - 74HC595
8 Bit Serial to Parallel Converter Test Circuit experiment
02.12.2022

How is the Frequency Divided?
Frequency divider experiment
03.12.2022

Parallel to Serial Converter with 74HC165 - Shift Register Application
Shift Register Application
06.12.2022

Analog Digital Converter ADC00808
Analog Digital Converter ADC00808 Experiment
07.12.2022

Thermal Imaging with Arduino Uno: Measuring Temperature Distribution with AMG8833 Sensor
Measure temperature distribution using AMG8833 sensor with Arduino Uno. AMG8833 whitepaper
16.09.2023

Milivolt.net is Now a Complete Electronics Toolbox: BOM Calculator, Datasheet Search, Circuit Diagrams
Milivolt.net is now a full electronics toolbox: Instant BOM pricing, datasheet search (Octopart), 800+ free circuit diagrams. Save time and money on your projects!
01.03.2026

Inverting Op-Amp Amplifier with Falstad Circuit Simulator: Interactive Simulation and Lab Project
Want to test circuits before soldering? Simulate an inverting op-amp amplifier with Falstad's animated simulator! See current flow, oscilloscope traces, and phase inversion live. Includes interactive embed + real lab tips. Try it now!
01.06.2026