
26.Aug.2023
Flip-flops are basic memory units capable of storing one bit of (binary) information. These memory elements are often used in applications such as electronic counters, memory circuits, register circuits and timing circuits.
Flip-flops are memory elements that basically have two states: "set" and "reset" states. That is, a flip-flop switches to a certain output state when a certain input signal is received and stores that state until it changes. The most common types of flip-flops are:
Type D Flip-Flop (D Flip-Flop): This flip-flop copies the input signal directly to the output. When the input signal changes, the output immediately reacts to it. It is generally used in data recording and transfer operations.
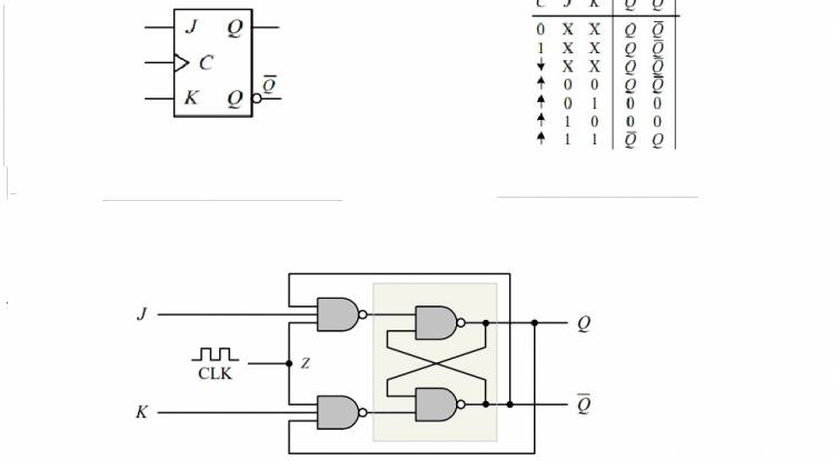
JK Flip-Flop: This type of flip-flop has more control features. The output status can be manipulated with the inputs "J" and "K". It is used in counter and sequencing circuits as well as in D-type flip-flops.

T Type Flip-Flop (Toggle Flip-Flop): This flip-flop changes its output to the inverse of the input signal. In other words, every input signal changes, the output also changes. It is widely used in counter circuits and frequency divider circuits.
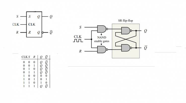
S-R Flip-Flop (Set-Reset Flip-Flop): This flip-flop has "set" and "reset" inputs. When one input is high (1), the flip-flop goes to the "set" state, and when the other input is high, it goes to the "reset" state. It is often used in complex logic circuits.

Flip-flops are used to temporarily store information in digital circuits, process and perform timing functions. This covers many different application areas, from computer memories, counter circuits, sequence circuits to triggers.

What is Colpitts oscillator? What are the Working Principles?
Working principles and elements of Colpitts oscillator. Information on electronic circuits, RF applications and frequency generator design
18.10.2023

Frequently used units in electronics
Basic units used in electronics
07.04.2023

Evolution of Bluetooth Technology: Versions After Bluetooth 5.0
Evolution of Bluetooth technology: Versions after Bluetooth 5.0. Faster, safer and more efficient wireless communication.
22.10.2023

Antenna Types
Types of antennas for radio frequency circuits
07.04.2023

Types of Transistors
Transistors, one of the most basic elements of electronic circuits
08.04.2023

Resistor Color Codes
resistor colors, measuring resistance, circuit elements
08.04.2023

2SC3355 Transistor: An Ideal Component for RF Applications
Technical article with detailed information about the 2SC3355 transistor. An ideal component for RF applications and high frequency circuits
26.10.2023

What are the Modulation Types?
Frequencies and modulations
10.04.2023

Learning Microcontroller Chips: Why Is It Necessary?
Learning microcontroller chips, developing electronic projects, working in industrial applications and gaining career opportunities
02.11.2023

Button Cell Types and Standards
Button Battery types and standards
10.04.2023

Quantum Computer: Comparison with Classical Computers
Quantum computers, comparison with quantum computers
04.11.2023

OV7670 CMOS VGA MODULE
Information about the technical specifications and usage areas of the OV7670 CMOS image sensor.
05.11.2023

What is a diode? What are its types and uses?
Basic electronics information, diodes, usage areas of diodes
12.04.2023

What is PCB?
PCB Manufacturing, Design
15.04.2023

What is ESP-IDF?
ESP-IDF is a powerful IoT software development framework developed by Espressif Systems. Offers low-level control and expandability for WiFi and Bluetooth-enabled microcontrollers such as ESP32 and ESP32-S2
19.11.2023

What is Frequency Shift Modulation (FSK)?
In this article, we basically explain FSK, which is one of the modulation types.
20.04.2023

AD9280: Advanced Sampling and Wide Application Areas with High-Speed 8-Bit ADC
The AD9280 is a high-performance ADC at 8-bit, 32 MSPS. Ideal for precise measurements in RF, imaging, automotive and industrial applications
30.11.2023

What is FPGA?
What is FPGA? What are the differences with the CPU? How is it programmed? What applications are FPGAs used in?
22.04.2023

What is PSK (Phase Shift Keying)?
What are the modulation types? Overview of the PSK modulation concept
23.04.2023

What is a Hall Effect Sensor?
Hall effect sensors are used to detect the magnetic field. A simple application example is presented with the A3144 example and Arduino integration.
28.12.2023

What is MOSFET?
Basic information about MOSFET, usage areas
25.04.2023

What is IR LED?
Basic information and applications about IR LEDs, which are very common in electronic systems.
29.04.2023

What is a sensor? What is a transducer?
Types of sensors, types of transducers and their uses
30.04.2023

USB (Universal Serial Bus) Standards
Technical review of USB ports
25.05.2023

What is NFC? What are the Application Areas?
NFC details, usage areas, application example
26.05.2023

IoT and IIoT: Differences and Technologies Used
Discover the differences between IoT and IIoT and the technologies used. While IoT is consumer-focused, IIoT enables efficiencies in industrial processes
08.02.2024

Collecting Data from Multiple Sensors - 74HC4067
This article examines the use of the 74HC4067 chip and its capabilities to collect data from multiple sensors. The 74HC4067 is an analog multiplexer and demultiplexer chip used to route multiple analog signals on a single chip. The article explains the chip's technical features, operating principles and application areas, and highlights how multiple sensors facilitate the data collection process in electronic systems. Accurate capture, conversion and processing of analog data from sensors forms the basis for data-driven decision-making in industrial, scientific and medical applications. This article aims to present effective and precise data collection strategies in electronic systems by addressing methods of collecting data from multiple sensors using the 74HC4067 chip."
07.06.2023

What is Arduino Mega 2560?
A comprehensive article on the Arduino Mega 2560. The technical features, application areas and usage potential of Arduino Mega 2560 are emphasized. With its large input/output pin count, expanded memory capacity and powerful performance, Arduino Mega 2560 meets the needs of users in many projects from robotic projects to industrial automation, from 3D printers to data acquisition systems.
09.06.2023

LoRa Technology
LoRa Technology is a communication technology that is used for long distance wireless communication and does not depend on the internet. LoRa can exchange data between devices by creating its own wireless network. Standing out with its low power consumption and long range features, LoRa is a frequently preferred technology in IoT applications, remote monitoring, sensor networks, smart cities and agricultural applications. LoRa uses unlicensed frequencies and provides direct communication between devices without internet dependency. LoRa modules can provide half-duplex communication and typically operate at frequencies of 433 MHz, 868 MHz, or 915 MHz.
15.06.2023

Voltage Clipper with Zener Diode
Zener diodes: Powerful tools in electronics. In this article, get in-depth information about the function, usage areas and advantages of Zener diodes.
13.03.2024

Wearable Technologies and Sensors (Sensor and Transducers)
Wearable Technologies and Sensors. In this article, learn about the use of wearable technologies and the various sensors and transducers that support them. Discover detailed information about sensors such as motion sensors, heart rate sensors, skin temperature and electrodermal activity sensors, GPS and location sensors, temperature sensors and touch sensors. Learn how wearables are used in health, fitness, safety and more
16.07.2023

Li-Fi: The Future Wireless Communications Technology of Light
Li-Fi technology is a wireless communication technology that can transmit data via light waves. Unlike Wi-Fi, it uses the visible light spectrum and transfers data from LED or other lighting sources with fast flashing signals.
18.07.2023

Filters as Frequency Separation and Cleaning Tools
In this article, learn how filters are an indispensable tool in the electronic world, with their ability to separate and clean signals by frequency.
14.08.2023

What is ASK Modulation?
Amplitude Shift Keying (ASK) is a modulation technique used in communication systems. The amplitude of a carrier signal carrying digital data bits is varied according to the data bits.
14.08.2023

What is Frequency Modulation?
Frequency Modulation (FM) is a method used in communication. Voice or data signals are transmitted by changing the carrier wave frequency.
15.08.2023

What is LoRa-WAN?
What is LoRa-WAN?
19.04.2022

What is E-Commerce?
e-commerce news
23.04.2022

What is Boolean Mathematics?
In the world of digital electronics, Boolean mathematics forms the basis of logical expressions and operations.
20.08.2023

Logic Circuit Elements: Differences Between NOT, Buffer and Schmitt Trigger
Understand the differences between NOT, Buffer and Schmitt Trigger, which are the basic elements in digital logic circuits
28.08.2023

What is T Type Flip Flop?
Toggle logic of T-type flip-flop and complex functions of JK-type flip-flop.
03.09.2023

D Type Flip Flop Ring Counter
What is a ring counter? Rotation counting, use of flip-flops and internal feedback
03.09.2023

Ripple Counter (Asynchronous Counter)
How to count/divide with MOD-16 Ripple counter and T-type flip-flop?
03.09.2023

How Is Frequency Divided? Why Do We Divide?
Learn about the importance and wide application areas of frequency divider circuits used in digital circuits.
04.09.2023

What is solder? What are the types?
What is solder and what are its types? Information about basic components, usage areas and solder paste.
06.09.2023

Communication Standards in Electronics: Connection Fundamentals
Learn about communication standards in electronics: RS-232, USB, Ethernet and more.
07.09.2023

Control Chips: Directive Power of Systems
About chip types and applications: Differences of PLC, PIC, MCU, CPU and more. FPGA, DSP, GPU, ASIC and SoC review.
07.09.2023

Opamp Inverting and Non-Inverting Amplifier Circuits: Basic Principles and Applications
Inverting and non-inverting amplifier circuits related to opamps. Essential components for signal processing
11.09.2023

What is Smart Sensor?
Smart sensor developments and usage areas of smart sensors
13.09.2023

Increasing the Efficiency of Home Heating Systems with Smart NTC Sensors
Information about NTC (Negative Temperature Coefficient) thermistors and their usage areas. Electronics, automotive, medical devices and smart NTCs
15.09.2023

3D Printers: Basic Principles and Applications
This technical article examines the working principles, different types and wide application areas of 3D printers
18.09.2023

What is a MEMS microphone?
How do MEMS microphones work? Usage areas
16.01.2023

What is an Electret Microphone? How does it work?
Power and Design Differences of Electret and Dynamic Microphones
27.09.2023

What is a MEMS microphone?
How do MEMS microphones work? Usage areas
16.01.2023

Colpitts Oscillator
How does the Colpitts Oscillator work?
17.01.2023

Comparison of 4G and 5G Technical Structures
4G and 5G technical structures are compared. The effects of 5G on industrial changes are examined.
27.09.2023

What's the Difference Between Bluetooth 4.0 and Bluetooth 5.0?
Bluetooth 4.0 and Bluetooth 5.0
19.01.2023

Frequency Band Frequency Typical Application
Frequency Band Frequency Typical Application table
20.01.2023

Air Core Coil Calculation
Air Core Coil
22.01.2023

What is IMU Sensor?
IMU Sensor
26.01.2023